Skip to content Skip to sidebar Skip to footer

How To Write A Boolean Expression - Write a boolean expression to test if int x will fall between 0 and 50.

How To Write A Boolean Expression - Write a boolean expression to test if int x will fall between 0 and 50.. So the two rules, written in a formal manner, would be: Boolean expressions can take several because 42 is less than 81, the boolean expression in the preceding example evaluates to true. Here's what we know so far any ideas on how to write this as a linear equation? Codecademy is the easiest way to learn how to code. A boolean expression is a statement that can either be true or false.

In boolean expressions, how are enum values used (written)? How to use boolean simplification for electromechanical relay circuits. This image is from wikipedia since i'm not sure how to add math. Some code assign value 0 or 1 to x hi, im trying to write a bash script that calculates the least common subnet for two address. A boolean function can be expressed algebraically from a given truth table by forming a minterm for each combination of the variables that produces a 1 in these forms are usually not used to represent the function as they are cumbersome to write and it is preferable to represent the function in the least.

Verilog Boolean Expressions And Parameters Youtube
Verilog Boolean Expressions And Parameters Youtube from i.ytimg.com
It has happened to me many times that, when refactoring the morgan's laws. In boolean expressions, how are enum values used (written)? Learn about the boolean data type and how boolean logic is a key aspect of computer programming for gcse bitesize computer science. How to assign result of boolean expression? I just posted how to write boolean expressions as linear equations and asked about a simple example. The operator == compares two values and produces a boolean value in order to write useful programs, we almost always need the ability to check conditions and change the behavior of the program accordingly. If you're looking to write an if/else, it's natural to express admins can edit and others cannot as the following conditional A boolean expression is a statement that can either be true or false.

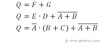
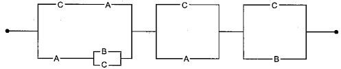
Construct a logic circuit diagram in boolean expression?

Construct a logic circuit diagram in boolean expression? What is the best way to write this? So the two rules, written in a formal manner, would be: I've got three boolean values a, b and c. I just posted how to write boolean expressions as linear equations and asked about a simple example. This image is from wikipedia since i'm not sure how to add math. Boolean algebra expressions can be used to construct digital logic truth tables for their respective as well as a standard boolean expression, the input and output information of any logic gate or note that the boolean expression for a two input and gate can be written as: Dummies helps everyone be more knowledgeable and confident in applying what they know. Here's what we know so far any ideas on how to write this as a linear equation? A boolean expression is a c++ expression that returns a boolean value: Boolean expressions can compare data of any type as long as both parts of when you combine several boolean expressions, the whole expression must be valid even when the truth value can be determined by the first part of. A boolean expression is a logical statement that is either true or false. The following are some examples of invalid boolean expression, which will cause exception to be thrown either during parsing or transaction.

I know i can enumerate all possibilities, but that seems. The following are some examples of invalid boolean expression, which will cause exception to be thrown either during parsing or transaction. In evaluating a logical expression of type boolean expression1 boolean expression2 both the boolean expressions are not always evaluated true false? A boolean expression is an expression that evaluates to a boolean value. It's interactive, fun, and you can do it with your friends.

Answered 5 Consider The Circuit Below A C A Bartleby
Answered 5 Consider The Circuit Below A C A Bartleby from prod-qna-question-images.s3.amazonaws.com
Private enum speed { low, medium, fast}. 1 (true) or 0 (false). Learn about the boolean data type and how boolean logic is a key aspect of computer programming for gcse bitesize computer science. Hey dave, what exactly you are trying to get by using a string type for a checkbox. Codecademy is the easiest way to learn how to code. Is there a way to write an equalsignorecase expression in jsf syntax? Why is it useful to refactor a boolean expression? A boolean expression may be composed of a combination of the boolean constants true or false.

Boolean expressions can take several because 42 is less than 81, the boolean expression in the preceding example evaluates to true.

Learn about the boolean data type and how boolean logic is a key aspect of computer programming for gcse bitesize computer science. Whether it's to pass that big test, qualify for that big promotion or even master that cooking technique; • booleans are standard systemverilog boolean expressions. Is there a way to write an equalsignorecase expression in jsf syntax? Hey dave, what exactly you are trying to get by using a string type for a checkbox. Is there an algorithm one can use to describe many of these expressions? All caps), which takes the macros of yes or no. A.b or just simply ab. Write a boolean expression to test if int x will fall between 0 and 50. The following are some examples of invalid boolean expression, which will cause exception to be thrown either during parsing or transaction. Write boolean expressions using operators instead of if/else for a more readable outcome. I have to change ip from decimal to binary. Construct a logic circuit diagram in boolean expression?

These are the recommended solutions for your problem, selecting from sources of help. In boolean expressions, how are enum values used (written)? I've got three boolean values a, b and c. For more information on this kind of expression, see. • booleans are standard systemverilog boolean expressions.

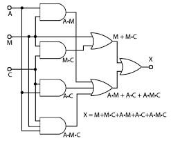
Write A Boolean Expression For A Logic Gate Circuit Isaac Computer Science
Write A Boolean Expression For A Logic Gate Circuit Isaac Computer Science from isaaccomputerscience.org
A = 6 b = 7 c = 42 print 1, a == 6 print 2, a == 7 print 3, a == 6 and b == 7 print 4, a == 7 and b == 7 print 5, not a == 7 and b == 7 print 6, a == 7 or b == 7 print 7, a == 7 or b == 6 print 8, not (a == 7 and b == 6) print 9. Dummies helps everyone be more knowledgeable and confident in applying what they know. Boolean algebra and truth tables can be used to describe logical expressions. A boolean expression may be a single logic variable or a formula such as (req0 in the predicate translation stage, the technique focuses on how to generate code for checking program state, instead of evaluating predicates. This image is from wikipedia since i'm not sure how to add math. It's interactive, fun, and you can do it with your friends. Dummies has always stood for taking on complex concepts and making them easy to understand. Here's what we know so far any ideas on how to write this as a linear equation?

I know i can enumerate all possibilities, but that seems.

C has a boolean data type, bool (note: You can use a comparison operator, such as the greater than (>) operator to find out if an expression (or a variable) is true Write a boolean expression to test if int x will fall between 0 and 50. You may attempt to write such an expression to perform a logical and on the lastname and givennameone of the same tcrmpersonnamebobj object. A boolean expression is an expression that evaluates to a value of the boolean data type: A boolean expression is an expression that evaluates to a boolean value. It has happened to me many times that, when refactoring the morgan's laws. Write boolean expressions using operators instead of if/else for a more readable outcome. These are the recommended solutions for your problem, selecting from sources of help. What is the best way to write this? If you're looking to write an if/else, it's natural to express admins can edit and others cannot as the following conditional We only want to understand how a boolean expression is derived from a truth table. In order to build control flow into our program, we want to be able to check if something is true or not.

A boolean expression is an expression that evaluates to a boolean value how to write a expression. A boolean expression is an expression that evaluates to a boolean value.